blog
Hogar blog

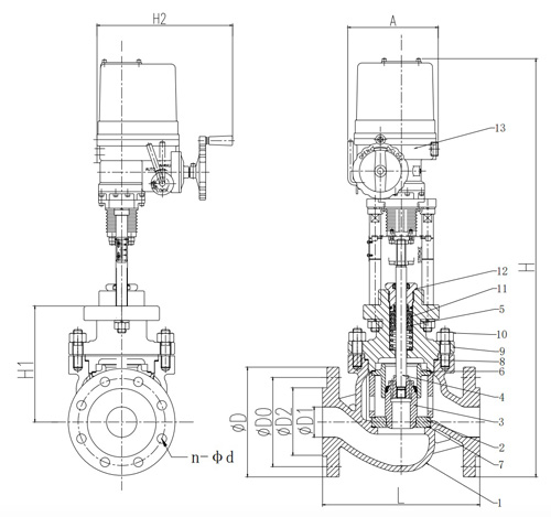
Válvula de control de asiento único con compensación de presión eléctrica y doble aleta en cada lado.

Válvula de control de asiento único con compensación de presión eléctrica y doble aleta en cada lado.

November 30, -0001

Introducción:

 

En el dinámico mundo de los procesos industriales, el control de precisión es fundamental. Presentamos la revolucionaria solución de GEKO. Válvula de control de asiento único con equilibrio de presión eléctrico y doble aleta. En cada lado, una solución de vanguardia diseñada para elevar sus capacidades de control a niveles sin precedentes.

 

Electric-Pressure-Balance-Single-Seat-Control-Valve-with-a-Double-Flap-On-Each-Side.jpg

 

Características principales:

 

Precisión redefinida:

GEKO Válvula de equilibrio de presión eléctrica Está diseñado para ofrecer una precisión inigualable en el control de caudales y presión. El diseño de doble aleta en cada lado garantiza una modulación precisa y de respuesta rápida, lo que permite un control óptimo del proceso en diversas aplicaciones.

 

Tecnología de equilibrio de presión:

La tecnología de equilibrio de presión incorporada en este válvula de control Garantiza estabilidad y fiabilidad en el funcionamiento. Experimente un rendimiento constante incluso en condiciones de proceso exigentes y fluctuantes, gracias al compromiso de GEKO con la ingeniería de vanguardia.

 

Ventaja de la doble solapa:

El diseño de doble aleta a cada lado de la válvula supone un cambio radical. Mejora la precisión del control, minimiza la histéresis y optimiza el tiempo de respuesta. Esta innovadora característica distingue a GEKO como líder en tecnología de válvulas de control.

 

Versatilidad sin límites:

Ya sea que trabaje en la industria química, petroquímica, de generación de energía u otras industrias de procesos, la válvula de equilibrio de presión eléctrica de GEKO está diseñada para adaptarse a una amplia gama de aplicaciones. Su versatilidad la convierte en la solución ideal para ingenieros y operadores que buscan una válvula de control confiable y adaptable.

 

Integración perfecta:

La integración con los sistemas de control existentes es perfecta, lo que permite una actualización sin complicaciones de su configuración actual. Experimente las ventajas de la tecnología de control moderna sin las molestias de realizar modificaciones extensas.

 

Construcción robusta:

GEKO comprende las exigencias de los entornos industriales. La válvula de control está diseñada para ser duradera, con una construcción robusta que garantiza una larga vida útil y un mantenimiento mínimo, lo que contribuye a la rentabilidad general.

 

Conclusión:


La válvula de control de asiento único con equilibrio de presión eléctrico de GEKO, con doble aleta en cada lado, es una solución revolucionaria para las industrias que buscan precisión, eficiencia y confiabilidad. Mejore sus capacidades de control y manténgase a la vanguardia en un mercado competitivo gracias al compromiso de GEKO con la innovación y la excelencia. Invierta en el futuro de la tecnología de control: elija GEKO. info@geko-union.com

 

dejar un mensaje

dejar un mensaje
Si está interesado en nuestros productos y desea obtener más información, deje un mensaje aquí y le responderemos lo antes posible.
entregar

Hogar

Productos

contacto