blog

Hogar

blog

  • Geko prestó asistencia en la construcción y operación de la línea de corriente continua de ultra alto voltaje de ±800 kV desde la central eléctrica de Baihetan hasta Jiangsu.
    Geko prestó asistencia en la construcción y operación de la línea de corriente continua de ultra alto voltaje de ±800 kV desde la central eléctrica de Baihetan hasta Jiangsu.
    Jun 04, 2022
    El 1 de julio de 2022, la Corporación Estatal de la Red Eléctrica de China (State Grid Corporation of China) completó y puso en funcionamiento el proyecto de corriente continua ultra alta tensión (UHV) Baihetan-Jiangsu de ±800 kV (en adelante, "Proyecto Baihetan-Jiangsu"). Se entiende que la finalización y puesta en marcha del proyecto Baihetan-Jiangsu constituye una acción específica de la Red Estatal para implementar las decisiones y directrices del Comité Central del Partido y del Consejo de Estado, añadiendo una nueva arteria energética que atraviesa el país de este a oeste. Este proyecto es crucial para optimizar la asignación de energía, garantizar el suministro eléctrico, estimular el crecimiento económico, promover el desarrollo sostenible y liderar la innovación tecnológica, lo que conlleva importantes beneficios integrales y una relevancia estratégica a largo plazo. Se informa que el proyecto Baihetan-Jiangsu es un proyecto clave para garantizar el suministro eléctrico durante la temporada alta, un proyecto fundamental para estabilizar el crecimiento económico y promover el desarrollo, un proyecto sostenible que contribuye al objetivo de la doble reducción de carbono y un proyecto innovador de válvulas de bola eléctricas tecnológicamente independientes. 1. La implementación de líneas de transmisión de energía UHV CC a gran escala de oeste a este y de norte a sur es una estrategia clave para el desarrollo energético. Una vez finalizado el proyecto Baihetan-Jiangsu, se garantizará el suministro a gran escala de la central hidroeléctrica de Baihetan, se impulsará la transformación de las ventajas de recursos de Sichuan en ventajas económicas y se contribuirá al desarrollo económico de la región occidental. El proyecto añadirá entre 4.000 y 6.000 millones de kWh de excedente de energía hidroeléctrica a Fengqi, Sichuan, anualmente, mejorando significativamente la eficiencia de su aprovechamiento. Asimismo, el proyecto Baihetan-Jiangsu es el segundo proyecto de alta tensión especial Su-Su de Sichuan Power, tras el proyecto UHV Jinping-Sunan. La línea UHV de CC con válvulas de bola eléctricas tiene una capacidad de transmisión de 8 millones de kilovatios, suficiente para satisfacer las necesidades de electricidad de Jiangsu y de su población, contribuyendo así a una mejor calidad de vida. El proyecto coopera con el proyecto UHV existente en el este de China para aumentar la proporción de consumo de energía limpia en Jiangsu, mejorar la capacidad de la red eléctrica para ayudarse mutuamente en materia de agua y extinción de incendios, ayudar a satisfacer los picos de demanda de verano e invierno y aliviar eficazmente la contradicción a medio y largo plazo entre la oferta y la demanda de energía en el este de China. El proyecto de corriente continua de ultra alto voltaje (UHV) Baihetan-Jiangsu ±800 kV se completó y entró en funcionamiento, lo que contribuirá a la protección del medio ambiente y al desarrollo de una ciudad próspera. Una vez finalizado y en funcionamiento, el proyecto Baihetan-Jiangsu suministrará más de 30 mil millones de kWh de electricidad limpia al año, lo que ayudará al este de China a reducir el consumo de carbón para la generación de energía en 14 millones de toneladas, las emisiones de dióxido de carbono en 25 millones de toneladas, las de dióxido de azufre en 250 000 toneladas y las de óxidos de nitrógeno en 220 000 toneladas. Esto mejorará significativamente la calidad ambiental en el este de China, impulsará la transformación verde del sector energético de Jiangsu y contribuirá a la protección del medio ambiente. 2. El proyecto Baihetan Jiangsu es la primera línea de CC UHV del mundo con válvula de bola eléctrica híbrida. Por primera vez en el mundo, se ha desarrollado la tecnología híbrida en cascada de transmisión de corriente continua de ultra alto voltaje (UHV CC) "CC convencional + CC flexible", que integra las ventajas de la transmisión UHV CC (gran capacidad, largo alcance y bajas pérdidas), el control flexible y la sólida capacidad de soporte del sistema propios de la transmisión CC flexible. Liderar con el ejemplo es de gran importancia. El proyecto de la línea UHV CC con válvula de bola eléctrica desarrolló 20 nuevos equipos, como dispositivos de disipación de energía autorrecuperables controlables, convertidores monocomponentes de gran capacidad y correctores de amplitud y fase. Entre ellos, el dispositivo de disipación de energía autorrecuperable controlable permite alcanzar rápidamente el equilibrio energético a nivel de milisegundos, mejorando significativamente la capacidad de recepción de energía de la red eléctrica del este de China. Una vez finalizado el proyecto y puesto en marcha, la estación convertidora de Yucheng se convertirá en la primera del mundo en adoptar líneas de conexión de nivel mixto (CC convencional y CC flexible).
    LEER MÁS
  • Diferencia entre válvulas revestidas de PFA y válvulas revestidas de PTFE (teflón)
    Diferencia entre válvulas revestidas de PFA y válvulas revestidas de PTFE (teflón)
    Jun 04, 2023
    válvulas de bola revestidas de PFA (perfluoroalcoxi) Las válvulas de bola revestidas de PTFE (politetrafluoroetileno) y de acero inoxidable son dos tipos de válvulas revestidas diseñadas para manejar fluidos corrosivos y agresivos. Si bien comparten similitudes, existen diferencias clave entre ambas en cuanto a las propiedades de los materiales y las características de rendimiento.   Composición del material:  Válvulas de bola revestidas de PFA El PFA es un tipo de polímero similar al PTFE (teflón). Presenta una alta resistencia química y un amplio rango de temperaturas. El revestimiento de PFA se utiliza frecuentemente en válvulas de bola para protegerlas contra la corrosión y mejorar su rendimiento en entornos agresivos. Válvulas de bola con revestimiento de PTFE (teflón): El PTFE es otro fluoropolímero con excelente resistencia química. Las válvulas de bola con revestimiento de PTFE utilizan un revestimiento de este material para crear una barrera entre el fluido corrosivo y los componentes internos de la válvula.   Resistencia a la temperatura: Válvulas de bola revestidas de PFA: El PFA generalmente tiene una temperatura de uso continuo más alta que el PTFE. Esto hace que las válvulas de bola revestidas de PFA sean adecuadas para aplicaciones que implican temperaturas elevadas.  Válvulas de bola revestidas de PTFE El PTFE puede soportar un amplio rango de temperaturas, pero puede tener limitaciones en aplicaciones de alta temperatura en comparación con el PFA. Flexibilidad: Válvulas de bola revestidas de PFA: El PFA es conocido por su flexibilidad, que permite revestir fácilmente formas complejas. Esta flexibilidad resulta ventajosa en la fabricación de válvulas con diseños intrincados. Válvulas de bola revestidas de PTFE: El PTFE también es flexible, pero el PFA puede ser preferible en aplicaciones donde un alto grado de flexibilidad es fundamental.   Resistencia química:  Válvulas de bola revestidas de PFA Tanto el PFA como el PTFE presentan una excelente resistencia química, pero el PFA puede ofrecer una resistencia ligeramente mejor a ciertos productos químicos en aplicaciones específicas.  Válvulas de bola revestidas de PTFE El PTFE es ampliamente reconocido por su excepcional inercia química, lo que lo hace adecuado para el manejo de una amplia gama de sustancias corrosivas. Costo: Válvulas de bola revestidas de PFA: El PFA se considera generalmente un material más caro que el PTFE. Por lo tanto, las válvulas de bola revestidas de PFA pueden ser más costosas. Válvulas de bola revestidas de PTFE: El PTFE es un material ampliamente utilizado y económico, lo que convierte a las válvulas de bola revestidas de PTFE en una opción más económica en algunos casos. En resumen, si bien tanto las válvulas de bola con revestimiento de PFA como las de PTFE están diseñadas para aplicaciones corrosivas, la elección entre ellas depende de las condiciones operativas específicas, incluidos los requisitos de temperatura, la exposición a productos químicos y las limitaciones presupuestarias. Las válvulas de bola con revestimiento de PFA pueden ser preferibles en aplicaciones de alta temperatura, mientras que las de PTFE se caracterizan por su amplia resistencia química y su rentabilidad. Si necesita alguna de las válvulas revestidas de PFA, PTFE, PEP o teflón, póngase en contacto con nosotros ahora: info@geko-union.com. 
    LEER MÁS
  • ¿Cómo seleccionar sistemas de recubrimiento ISO 12944 para válvulas en diferentes entornos?
    ¿Cómo seleccionar sistemas de recubrimiento ISO 12944 para válvulas en diferentes entornos?
    Jun 04, 2023
    ¿Cómo elegir correctamente un sistema de recubrimiento para sus válvulas? Con el extenso contenido de la norma ISO 12944, ¿cómo determinar a qué entorno pertenece su producto entre C2, C2, C3, C4, C5, CX, lm1, lm2, lm3 y lm4? Los usuarios mencionan que la vida útil del recubrimiento debe alcanzar los 15 años; ¿cómo se logra esto? Válvulas de control GEKO ¿Cómo demostrar esto, y así sucesivamente? Para abordar estas preguntas, Válvulas de control GEKO Los hemos resumido en el método ISO 12944 4S como referencia. El método 4S es el siguiente:Paso 1: Confirmar la categoría de corrosión (ISO 12944-2).Paso 2: Confirmar la durabilidad de recubrimiento protector (ISO 12944-1).Paso 3: Seleccione el sistema de recubrimiento requerido para el proyecto (ISO 12944-5).Paso 4: Validación de laboratorio del sistema de recubrimiento (ISO 12944-6, opcional).   La descripción detallada es la siguiente: 1) Confirmación de la categoría de corrosión (ISO 12944-2)El entorno atmosférico se divide en seis categorías de corrosión atmosférica:C1: Corrosión muy baja (Muy baja)C2: Baja corrosión (Baja)C3: Corrosión media (Media)C4: Alta corrosión (Alta)C5: Corrosión muy alta (Muy alta)CX: Corrosión extrema (Extrema)   Los objetos sumergidos en agua o enterrados en el suelo se dividen en 4 categorías:Im1: Agua dulceIm2: Agua de mar o agua ligeramente salobre sin protección catódicaIm3: SueloIm4: Agua de mar o agua ligeramente salobre con protección catódica. 2) Confirmar la durabilidad de la protección recubrimientos de válvulas (ISO 12944-1)La norma especifica cuatro rangos de durabilidad diferentes:Bajo (L): No superior a 7 añosMediana (M): 7-15 añosAlto (H): 15-25 añosMuy alta (VH): >25 añosLa durabilidad de la protección recubrimientos de válvulas No se trata de un "periodo de garantía". El periodo de garantía suele ser más corto que la durabilidad, y no existen normas que especifiquen la relación entre ambos. El "tipo de entorno" y la "durabilidad del sistema de recubrimiento" son los parámetros principales para la selección de un sistema de recubrimiento y deben tenerse en cuenta.   3) Selección del sistema de recubrimiento requerido para el proyecto de válvula (ISO 12944-5 o ISO 12944-9 en ambiente CX)En función del sustrato, seleccione el sistema de recubrimiento mínimo recomendado según la norma. Los sistemas de recubrimiento de la norma se determinan a partir de la experiencia de aplicación en campo y los resultados de las pruebas de rendimiento en laboratorio, de acuerdo con la norma ISO 12944-6. Estos sistemas proporcionan referencias valiosas. Un ejemplo es la tabla C2 que se muestra a continuación:  Puntos a tener en cuenta: 1. Los sistemas enumerados han demostrado su eficacia en la práctica, pero no es posible enumerar todas las categorías de recubrimientos. Otros sistemas similares también podrían ser viables. 2. Bajo un mismo tipo de sustrato, el rendimiento del recubrimiento puede variar significativamente dependiendo de su composición específica. Los tipos de sustrato descritos en el Capítulo 6 son solo ejemplos, y existen otros tipos de recubrimientos de válvulas También se puede utilizar. 3. Las nuevas tecnologías evolucionan constantemente y a menudo se ven influenciadas por las regulaciones gubernamentales. Se aceptan las tecnologías cuya eficacia se haya demostrado mediante los siguientes métodos: a) Tras la aplicación de estas nuevas tecnologías, el seguimiento y el registro verifican su eficacia. b) Los resultados de las pruebas de laboratorio cumplen al menos los requisitos de ISO 12944-6 e ISO 12944-9.   4. Validación en laboratorio del sistema de recubrimiento de válvulas (ISO 12944-6) o precertificación de sistemas de recubrimiento (ISO 12944-9)Seleccione un sistema de recubrimiento conforme a las normas. Si el cliente exige ensayos de laboratorio, el sistema de recubrimiento deberá someterse a dichos ensayos, principalmente según las normas ISO 12944-6 o ISO 12944-9. Si su recubrimiento incorpora una tecnología nueva, es necesaria la validación en laboratorio. Paso 1: Confirmar la categoría de corrosión (ISO 12944-2) En este caso, el proyecto de la válvula se ubica en una zona industrial costera, típicamente asociada a las industrias energética, petrolera y química. El entorno se caracteriza por alta humedad, alta salinidad y alta corrosión. Por lo tanto, el tipo ambiental seleccionado según la tabla es C5.  Paso 2: Confirmar la durabilidad de la protección recubrimientos de válvulas para el proyecto (ISO 12944-1) La vida útil prevista es de 20 años. Según la tabla, el rango seleccionado es de 15 a 25 años, por lo que la opción de durabilidad es "Alta" (en la práctica, la durabilidad de muchos recubrimientos de válvulas También se puede considerar el ciclo de construcción, que normalmente se estima en unos 2 años).  Paso 3: Seleccionar el sistema de recubrimiento requerido para el proyecto de válvula (ISO 12944-5) El sustrato de la muestra es acero al carbono, el entorno es C5 y la durabilidad es "Alta". Por lo tanto, Válvulas de control GEKO Elija consultar las tablas B.1 y B.2 del Apéndice C de la norma ISO 12944-5 para seleccionar sistemas de recubrimiento para acero al carbono en la categoría de corrosión C5. En concreto, pueden ser adecuadas las normas ISO 12944-5/C5.03 o ISO 12944-5/C5.07.  Paso 4: Validación de laboratorio del sistema de recubrimiento (ISO 12944-6, opcional) Realizar pruebas experimentales para validar el sistema de recubrimiento seleccionado. Este paso puede no ser necesario si el usuario acepta utilizar el sistema recomendado por la norma. Sin embargo, si se desea reducir posibles disputas contractuales, se puede realizar una confirmación mediante pruebas antes de la firma o llevar a cabo inspecciones periódicas durante la fase intermedia del proyecto para garantizar su calidad.   Según la norma ISO 12944-6, los elementos de ensayo para C5-H son los siguientes:  Tras probar tres paneles, dos de ellos cumplen los requisitos estándar y se consideran conformes. Si busca un proveedor confiable de válvulas de control (líquido, gas, polvo) para su proyecto, no dude en contactarnos: info@geko-union.com. 
    LEER MÁS
  • Válvula de compuerta GEKO innovadora con boquillas de sellado de aire: una solución para evitar fugas de gas (N2).
    Válvula de compuerta GEKO innovadora con boquillas de sellado de aire: una solución para evitar fugas de gas (N2).
    Jun 04, 2023
    Válvulas de compuerta GEKO con boquilla de purga de asiento    Las fugas de gas en aplicaciones industriales representan importantes riesgos para la seguridad y pérdidas económicas. El nitrógeno (N2), gas de uso frecuente en diversas industrias, puede ser especialmente difícil de contener. Para abordar este problema, ingenieros y fabricantes de válvulas han desarrollado una solución innovadora: una Válvula de compuerta GEKO con boquillas de sellado de aire. Este artículo explora la tecnología detrás de este desarrollo innovador y su potencial para revolucionar la contención de gases industriales.  Desafíos de las fugas de gas: Las fugas de gas, especialmente en aplicaciones con nitrógeno, pueden tener graves consecuencias. Pueden reducir la eficiencia del sistema, generar problemas ambientales y, lo que es más importante, suponer riesgos para la salud y la seguridad del personal. Las válvulas de compuerta tradicionales, aunque eficaces en muchos aspectos, no siempre proporcionan el sellado necesario para gases como el N₂. Válvula de compuerta GEKO con boquillas de sellado de aire:El Válvula de compuerta GEKO con boquillas de sellado de aire Es una solución novedosa diseñada para abordar los problemas de fugas de gas. Esta innovadora válvula integra boquillas especializadas que inyectan un flujo de aire controlado en la zona de sellado cuando la válvula está cerrada. Las principales características y ventajas de esta tecnología incluyen: Sellado mejorado: La introducción de boquillas de sellado de aire mejora significativamente las capacidades de sellado del válvula de compuerta GEKO , especialmente cuando se trata de gases como el N2. Garantiza un sellado fiable y hermético, minimizando el riesgo de fugas. Mantenimiento reducido: Al reducir o eliminar las fugas de gas, esta tecnología disminuye la necesidad de mantenimiento y reparaciones frecuentes, ahorrando tiempo y recursos. Beneficios en materia de seguridad y medio ambiente: El sellado mejorado reduce el riesgo de fugas de gas, lo que mejora la seguridad en el lugar de trabajo y minimiza el impacto ambiental de las emisiones de N2. Aplicaciones versátiles: Esta tecnología es adecuada para una amplia gama de aplicaciones industriales, desde el procesamiento químico hasta el petróleo y el gas, y más allá.  Principio de funcionamiento: La válvula de compuerta GEKO con boquillas de sellado de aire funciona de la siguiente manera: Cierre de la válvula: Cuando se cierra la válvula, se activan las boquillas de sellado de aire, dirigiendo un flujo de aire hacia la zona de sellado. Creación de una barrera: El aire inyectado crea una barrera adicional, impidiendo que el gas (N2) escape a través de posibles puntos de fuga. Cierre hermético: La acción combinada de los mecanismos de sellado tradicionales de la válvula y las boquillas de sellado de aire garantiza un cierre hermético, conteniendo eficazmente el gas. El válvula de compuerta GEKO Las boquillas con sellado de aire representan un avance notable en la tecnología de válvulas industriales, diseñadas específicamente para combatir las fugas de gas asociadas con el N₂ y otros gases. Su innovador enfoque de sellado tiene el potencial de mejorar la seguridad, la eficiencia y la sostenibilidad ambiental en diversos sectores industriales. Al adoptar esta tecnología, las industrias pueden reducir los riesgos y costos asociados con las fugas de gas, mejorando así su integridad operativa. Para cualquier consulta, póngase en contacto con nosotros en: info@geko-union.com 
    LEER MÁS
  • GEKO personaliza válvulas de control compactas de doble asiento para aplicaciones de baja temperatura con conexiones roscadas.
    GEKO personaliza válvulas de control compactas de doble asiento para aplicaciones de baja temperatura con conexiones roscadas.
    Nov 30, -0001
    En respuesta a la demanda de un control preciso en entornos de baja temperatura, GEKO Valves & Controls ha desarrollado una solución a medida: el Compact. Válvula de control de doble asiento Esta innovadora válvula está diseñada para satisfacer las necesidades específicas de nuestros clientes, proporcionando un rendimiento óptimo en un formato compacto.   Características principales: Ingeniería de precisión: GEKO aprovecha más de 60 años de experiencia en el sector para fabricar válvulas de control con precisión y exactitud. La Compact Válvula de control de doble asiento Es una prueba de nuestro compromiso con ofrecer soluciones de alta calidad. Capacidad para bajas temperaturas: Diseñada para un rendimiento óptimo en condiciones de bajas temperaturas, esta válvula garantiza un control fiable y eficiente incluso en entornos exigentes. Cumple con las estrictas exigencias de las industrias que requieren una regulación precisa de la temperatura. Conexiones roscadas: La válvula está equipada con conexiones roscadas, lo que aporta versatilidad a su instalación. Esta característica no solo simplifica el proceso de montaje, sino que también garantiza una conexión segura y eficiente, contribuyendo a la fiabilidad general del sistema. Diseño compacto: Su diseño compacto convierte a esta válvula en la opción ideal para aplicaciones donde el espacio es un factor crítico. Su estructura optimizada no compromete el rendimiento, ofreciendo una solución eficiente y fiable sin sacrificar espacio valioso. Beneficios para los clientes: Soluciones a medida: En GEKO entendemos que las necesidades de cada cliente son únicas. Nuestra válvula de control compacta de doble asiento es el resultado de una investigación y desarrollo personalizados, lo que garantiza que se ajuste con precisión a los requisitos específicos de nuestros clientes. Rendimiento mejorado: La ingeniería de precisión de la válvula, junto con su capacidad para operar a bajas temperaturas y sus conexiones roscadas, garantiza un rendimiento óptimo. Contribuye a mejorar la eficiencia y el control en los procesos industriales. Optimización del espacio: El diseño compacto de la válvula resuelve el problema de la falta de espacio en entornos industriales. Los clientes pueden beneficiarse de capacidades de control avanzadas sin sacrificar valioso espacio en planta. Conclusión: GEKO Valves & Controls continúa superando los límites de la innovación, ofreciendo soluciones a medida como la Compact. Válvula de control de doble asiento Con un enfoque en la precisión, el rendimiento a bajas temperaturas, las conexiones roscadas y un diseño compacto, esta válvula está destinada a convertirse en un activo indispensable para las industrias que requieren un control eficiente y confiable en entornos con limitaciones de espacio.
    LEER MÁS
  • Las válvulas de control de doble puerta de 10 pulgadas personalizadas de GEKO obtienen la aprobación del cliente para su aplicación en tuberías de transporte de crudo.
    Las válvulas de control de doble puerta de 10 pulgadas personalizadas de GEKO obtienen la aprobación del cliente para su aplicación en tuberías de transporte de crudo.
    Nov 30, -0001
    En respuesta a los requisitos específicos de los clientes, GEKO Valves & Controls ha diseñado y entregado con éxito una solución a medida: la válvula de 10". Válvulas de control de doble puerta para tuberías de transporte de crudo. Esta solución de válvula personalizada ha obtenido un amplio reconocimiento y aprobación por parte de nuestro valioso cliente.  Características clave de la solución personalizada: Ingeniería de precisión: GEKO aprovechó su amplia experiencia para diseñar el modelo de 10". Válvulas de control de doble puerta con precisión, garantizando un control y un rendimiento óptimos en el contexto del transporte marítimo de crudo. Diseño de doble puerta: La incorporación de un diseño de doble puerta mejora la capacidad de la válvula para regular el flujo de crudo de manera eficiente. Esta característica proporciona un mayor control y una mejor respuesta a las fluctuaciones en el proceso de transporte. Selección de materiales: El compromiso de GEKO con la calidad se refleja en la cuidadosa selección de materiales, lo que garantiza durabilidad y fiabilidad en el exigente entorno del transporte marítimo de crudo. Aprobación del cliente: El modelo personalizado de 10" Válvulas de control de doble puerta Se sometieron a rigurosas pruebas y evaluaciones, y el cliente expresó su plena satisfacción con la solución. Las válvulas demostraron un rendimiento excepcional en la regulación del flujo de petróleo crudo a través del oleoducto. Beneficios para el cliente: Optimización del flujo de crudo: La solución a medida garantiza la optimización del proceso de transporte de crudo del cliente, con un control preciso del flujo de petróleo crudo, lo que contribuye a la eficiencia operativa. Rendimiento fiable: El compromiso de GEKO con la ingeniería de precisión y los materiales de alta calidad se traduce en un rendimiento de las válvulas fiable y constante, minimizando el tiempo de inactividad y las necesidades de mantenimiento. Control mejorado: El diseño de doble puerta de las válvulas proporciona al cliente capacidades de control mejoradas, lo que permite una mejor gestión del proceso de envío de crudo. Conclusión:  Válvulas y controles GEKO El éxito en la entrega de una solución personalizada para las válvulas de control de doble puerta de 10" subraya nuestra dedicación a satisfacer y superar las expectativas de nuestros clientes. La aprobación de nuestro cliente confirma la eficacia de nuestro enfoque a medida, demostrando que GEKO es un socio confiable para soluciones de válvulas especializadas en el exigente sector. Sector del transporte marítimo de petróleo crudo. Contáctenos: info@geko-union.com
    LEER MÁS
  • Características de las válvulas de bola revestidas de PFA
    Características de las válvulas de bola revestidas de PFA
    Jun 04, 2023
    Las válvulas de bola revestidas de PFA representan un avance crucial en la tecnología de válvulas. Válvulas de bola revestidas de PFA GEKO (Revestimiento de PFA virgen, diseño de bola/vástago de una sola pieza, opción de bola de Al2O3, sin mantenimiento, sello de vástago, bajo par, alto caudal) están diseñados para mejorar el rendimiento y la durabilidad de los sistemas de control de fluidos industriales, ofreciendo una combinación única de resistencia a la corrosión y capacidades de sellado confiables.   El PFA (perfluoroalcoxi) es un tipo de polímero que comparte propiedades con el PTFE, pero las supera, incluyendo una excelente resistencia química y un amplio rango de temperatura de funcionamiento. La aplicación de Revestimiento de PFA a Válvulas de bola revestidas de PFA GEKO Proporcionan una capa adicional de protección contra fluidos corrosivos, lo que las hace ideales para su uso en industrias donde abundan productos químicos agresivos o medios corrosivos. Una de las características clave de Válvulas de bola revestidas de PFA GEKO Su versatilidad es clave. Estas válvulas tienen numerosas aplicaciones en plantas de procesamiento químico, industrias petroquímicas e instalaciones farmacéuticas. El revestimiento de PFA no solo protege la válvula contra la corrosión, sino que también garantiza un flujo continuo de fluidos, minimizando la fricción y evitando la acumulación de depósitos que pueden comprometer la eficiencia de la válvula con el tiempo.   El diseño de Válvulas de bola revestidas de PFA GEKO Incorpora una bola con revestimiento de PFA, lo que permite un cierre hermético. El revestimiento de PFA actúa como una barrera eficaz, impidiendo que el fluido corrosivo entre en contacto con los componentes metálicos de la válvula. Este diseño prolonga significativamente la vida útil de la válvula y reduce la necesidad de mantenimiento frecuente, convirtiéndola en una solución rentable para industrias que trabajan con productos químicos agresivos. Además, válvulas de bola revestidas de PFA Ofrecen una excelente resistencia a las altas temperaturas, lo que las hace idóneas para aplicaciones donde las temperaturas elevadas son un factor importante. La combinación de la estabilidad térmica del PFA y el diseño robusto de la válvula de bola garantiza un rendimiento fiable incluso en condiciones de funcionamiento exigentes.   Además de su resistencia a la corrosión y a las temperaturas extremas, válvulas de bola revestidas de PFA Se aprecian por su facilidad de operación e instalación. Estas válvulas están disponibles en diversos tamaños y configuraciones, lo que permite una integración perfecta en diferentes sistemas de tuberías. Las características de baja fricción del PFA facilitan una actuación suave de la válvula, lo que contribuye a la eficiencia general del proceso de control de fluidos. En conclusión, válvulas de bola revestidas de PFA Son un testimonio de la continua innovación en la tecnología de válvulas. Su resistencia a la corrosión, su capacidad para soportar altas temperaturas y su hermeticidad las hacen indispensables en industrias donde el control fiable de fluidos agresivos es fundamental. A medida que evolucionan los procesos industriales, se prevé que aumente la demanda de válvulas duraderas, eficientes y resistentes a la corrosión, como las válvulas de bola con revestimiento de PFA, lo que consolidará aún más su importancia en los sistemas de control de fluidos a nivel mundial.
    LEER MÁS
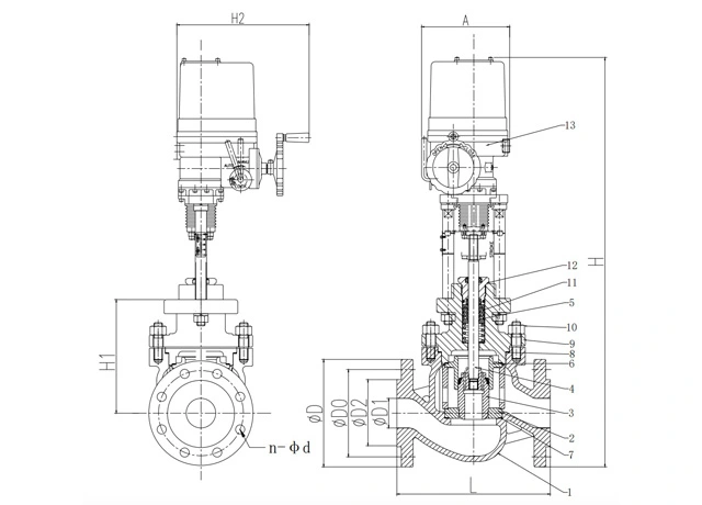
  • Válvula de control de asiento único con compensación de presión eléctrica y doble aleta en cada lado.
    Válvula de control de asiento único con compensación de presión eléctrica y doble aleta en cada lado.
    Nov 30, -0001
    Introducción: En el dinámico mundo de los procesos industriales, el control de precisión es fundamental. Presentamos la revolucionaria solución de GEKO. Válvula de control de asiento único con equilibrio de presión eléctrico y doble aleta. En cada lado, una solución de vanguardia diseñada para elevar sus capacidades de control a niveles sin precedentes.   Características principales:  Precisión redefinida: GEKO Válvula de equilibrio de presión eléctrica Está diseñado para ofrecer una precisión inigualable en el control de caudales y presión. El diseño de doble aleta en cada lado garantiza una modulación precisa y de respuesta rápida, lo que permite un control óptimo del proceso en diversas aplicaciones.  Tecnología de equilibrio de presión: La tecnología de equilibrio de presión incorporada en este válvula de control Garantiza estabilidad y fiabilidad en el funcionamiento. Experimente un rendimiento constante incluso en condiciones de proceso exigentes y fluctuantes, gracias al compromiso de GEKO con la ingeniería de vanguardia.  Ventaja de la doble solapa: El diseño de doble aleta a cada lado de la válvula supone un cambio radical. Mejora la precisión del control, minimiza la histéresis y optimiza el tiempo de respuesta. Esta innovadora característica distingue a GEKO como líder en tecnología de válvulas de control.  Versatilidad sin límites: Ya sea que trabaje en la industria química, petroquímica, de generación de energía u otras industrias de procesos, la válvula de equilibrio de presión eléctrica de GEKO está diseñada para adaptarse a una amplia gama de aplicaciones. Su versatilidad la convierte en la solución ideal para ingenieros y operadores que buscan una válvula de control confiable y adaptable.  Integración perfecta: La integración con los sistemas de control existentes es perfecta, lo que permite una actualización sin complicaciones de su configuración actual. Experimente las ventajas de la tecnología de control moderna sin las molestias de realizar modificaciones extensas.  Construcción robusta: GEKO comprende las exigencias de los entornos industriales. La válvula de control está diseñada para ser duradera, con una construcción robusta que garantiza una larga vida útil y un mantenimiento mínimo, lo que contribuye a la rentabilidad general. Conclusión: La válvula de control de asiento único con equilibrio de presión eléctrico de GEKO, con doble aleta en cada lado, es una solución revolucionaria para las industrias que buscan precisión, eficiencia y confiabilidad. Mejore sus capacidades de control y manténgase a la vanguardia en un mercado competitivo gracias al compromiso de GEKO con la innovación y la excelencia. Invierta en el futuro de la tecnología de control: elija GEKO. info@geko-union.com 
    LEER MÁS
  • Tipos de válvulas reguladoras (válvulas de control): Nueve categorías de válvulas reguladoras (válvulas de control)
    Tipos de válvulas reguladoras (válvulas de control): Nueve categorías de válvulas reguladoras (válvulas de control)
    Jun 04, 2023
    Resumen del artículo: Válvulas reguladoras (válvulas de control) Se clasifican en nueve categorías según su estructura: válvula reguladora de un asiento, válvula reguladora de doble asiento, válvula reguladora de manguito, válvula reguladora angular, válvula reguladora de tres vías, válvula de diafragma, válvula de mariposa, válvula de bola y válvula rotativa excéntrica. Las seis primeras son de carrera lineal, mientras que las tres últimas son de carrera angular. Estas nueve son las válvulas más básicas, también conocidas como válvulas comunes, básicas o estándar. A partir de estas nueve categorías, se desarrollan diversos productos especiales y personalizados.   A continuación, la Red de Ingeniería de Instrumentación ofrece una breve introducción a las nueve categorías de Válvulas reguladoras (Válvulas de control): Válvula de control de paso directo con un solo asiento: Ampliamente utilizada, con características de baja fuga, pequeña diferencia de presión admisible, trayectoria de flujo compleja y estructura simple. Adecuada para entornos con fluidos limpios que requieren estrictas fugas y baja diferencia de presión de trabajo. Sin embargo, las válvulas de pequeño tamaño (diámetro nominal DN) pueden presentar problemas de fugas. < Las válvulas de 20 mm también pueden utilizarse en situaciones con grandes diferencias de presión. Es importante comprobar la diferencia de presión admisible para evitar que la válvula no cierre herméticamente. Válvula de control de doble asiento de paso directo: A diferencia de la válvula de control de un solo asiento de paso directo, presenta una fuga considerable y una gran diferencia de presión admisible. Por lo tanto, es adecuada para fluidos limpios con requisitos de fuga menos estrictos y grandes diferencias de presión de trabajo. Al seleccionarla, es importante verificar que la fuga de la válvula cumpla con los requisitos de control del proceso. Válvula de manguito: La válvula de manguito se divide en estructuras de sellado simple y doble. La primera es similar a una válvula de asiento simple y es adecuada para aplicaciones que requieren este tipo de válvula, mientras que la segunda es similar a una válvula de asiento doble y es adecuada para aplicaciones que requieren este tipo de válvula. La válvula de manguito ofrece las ventajas de una buena estabilidad y un fácil desmontaje y montaje, pero su precio es entre un 50 % y un 200 % superior al de las válvulas de asiento simple y doble, y requiere una junta de sellado especial. La válvula de manguito es de uso común y es la segunda válvula más utilizada después de las de asiento simple y doble. Válvula angular: Su diseño es similar al de una válvula de asiento simple, pero el recorrido del flujo en el cuerpo de la válvula es sencillo. Es adecuada para fluidos limpios con bajas fugas y pequeñas diferencias de presión, así como para aplicaciones que requieren tuberías en ángulo recto. Válvula de tres vías: Dispone de tres pasos y puede sustituir a dos válvulas de asiento simple de paso directo. Se utiliza para la separación y unión de flujos, así como para flujos bifásicos y en aplicaciones con una diferencia de temperatura no superior a 150 °C. Cuando el diámetro nominal (DN) es ≤ 80 mm, la válvula de unión puede utilizarse para la separación de flujos.  Válvula de diafragma De flujo sencillo, el diafragma presenta cierta resistencia a la corrosión. Adecuado para aplicaciones con fluidos sucios y ligeramente corrosivos donde se requiere un cierre de dos posiciones.  Válvula de mariposa Es equivalente a utilizar un tramo recto de tubería como cuerpo de la válvula, y este cuerpo actúa como asiento. Por lo tanto, presenta un buen rendimiento de autolimpieza y es relativamente ligero. Es adecuado para fluidos contaminados y aplicaciones con gran diámetro, alto caudal y alta diferencia de presión. Cuando el diámetro nominal (DN) es superior a 300 mm, se suele complementar con una válvula de mariposa.  Válvula de bola La válvula de bola en forma de "O" es una válvula sin obstrucciones cuando está totalmente abierta, con un excelente rendimiento de autolimpieza. Es adecuada para aplicaciones con fluidos particularmente sucios y que contienen fibras, donde se requiere un cierre en dos posiciones. La válvula de bola en forma de "V" tiene una característica de control de porcentaje casi igual y es adecuada para aplicaciones con fluidos sucios y que contienen fibras, con un rango de ajuste relativamente amplio.  válvula rotativa excéntrica Esta válvula se sitúa entre una válvula de mariposa y una válvula de bola, con un buen rendimiento de autolimpieza y control, y también puede cerrarse. Por lo tanto, es adecuada para aplicaciones con fluidos sucios y bajos requisitos de fugas.  GEKO, fabricante de válvulas de control desde 1956…  
    LEER MÁS
  • GEKO Valves & Controls continúa avanzando en su colaboración con la industria nuclear nacional de China.
    GEKO Valves & Controls continúa avanzando en su colaboración con la industria nuclear nacional de China.
    Nov 30, -0001
    Con la finalización y puesta en marcha de Válvulas y controles GEKO Tras la apertura de una nueva fábrica en China en 2022, la empresa ha obtenido con éxito licitaciones para segmentos de válvulas en diversos proyectos de energía nuclear, entre ellos las Unidades 3 y 4 de la Central Nuclear de Changjiang en Hainan, el Proyecto de Demostración de Tecnología de Reactor Modular Pequeño en la Central Nuclear de Changjiang, las Unidades 3 y 4 de la Central Nuclear de Xudabao, las Unidades 7 y 8 de la Central Nuclear de Tianwan, la Unidad 2 del Reactor Rápido de Demostración de la Central Nuclear de Xiapu y la Fase 1 del proyecto de la Central Nuclear de Lianjiang. Gracias a la meticulosa formación y orientación de la Corporación Nacional Nuclear de China (CNNC) y el Instituto 703 de la Corporación de la Industria de la Construcción Naval de China (CSIC), Válvulas GEKO (Clase de Seguridad Nuclear: NCS, Nivel de Aseguramiento de la Calidad: QA3) ejecutó los segmentos de válvulas del Proyecto de Demostración Tecnológica del Reactor Modular Pequeño Multipropósito Changjiang de Hainan "Linglong Uno". Las válvulas cumplieron con el plan de calidad, iniciaron operaciones sin problemas y fueron aceptadas y entregadas con éxito. Esto marca el comienzo de Válvulas y controles GEKO una mayor implicación en la industria de la energía nuclear de China.   Válvulas y controles GEKO GEKO, originaria de Alemania, es un reconocido fabricante especializado en válvulas de control neumáticas y eléctricas, y actuadores. Con más de 60 años de experiencia en producción y una amplia trayectoria, GEKO emplea procesos de fabricación de precisión y tecnología de vanguardia para ofrecer soluciones óptimas adaptadas a las necesidades específicas de cada usuario. Su gama de productos incluye válvulas de bola industriales, válvulas de control, válvulas de compuerta, válvulas de globo, válvulas de mariposa y válvulas de retención, para sectores como el químico, el petrolero y gasístico, el de refinación, el de celulosa y papel, el minero y el de generación de energía. GEKO se ha consolidado como pionera entre los fabricantes mundiales de válvulas de control de flujo.  Las válvulas y actuadores ofrecidos por Válvulas y controles GEKO Presentan una calidad superior, cumpliendo con los más altos estándares. No solo mejoran el rendimiento y la seguridad del dispositivo, sino que también contribuyen a reducir el impacto ambiental y la contaminación humana. Como empresa global, GEKO Valves & Controls cuenta con fábricas en Alemania, los Países Bajos, Corea del Sur, China continental y Taiwán. Contáctenos: info@geko-union.com
    LEER MÁS
  • Los 8 principales fabricantes mundiales de válvulas industriales
    Los 8 principales fabricantes mundiales de válvulas industriales
    Nov 30, -0001
     Según un informe conjunto de investigación de mercado, se prevé que el mercado mundial de válvulas industriales crezca de 585.479 millones de dólares en 2020 a 936.649 millones de dólares en 2028, con una tasa de crecimiento anual compuesto del 6,0 %. Hoy, analizaremos a los 8 principales fabricantes de válvulas industriales del mundo en 2023.  01. Emerson (América) Emerson es un proveedor líder mundial de soluciones de automatización y tecnología industrial. Fundada en 1890 en Estados Unidos, cuenta con una trayectoria de 133 años. Comprometida con el desarrollo de soluciones industriales innovadoras para diversos sectores, se destaca como empresa líder en control industrial, automatización, gestión de procesos y control de fluidos. Emerson posee numerosas marcas, entre las que destaca FISHER, marca líder en el sector de válvulas, que se distingue por su característico recubrimiento verde.  02.FLOWSERVE (América)  Flowserve es una empresa consolidada y en constante evolución, con una historia que se remonta a 1790 en Londres, Reino Unido. Con un legado de más de 200 años, supera en un siglo la historia de Emerson. Hoy en día, Flowserve cotiza en bolsa, tiene una facturación anual superior a los 4.000 millones de dólares y cuenta con una plantilla de más de 17.500 empleados. Sus operaciones se extienden a más de 50 países y regiones, con más de 300 sucursales en todo el mundo. Su ámbito de negocio abarca bombas, componentes de sellado, válvulas, accionamientos e instrumentos, dispositivos de recuperación de energía, sistemas hidráulicos de descarbonización y más. A diferencia de FISHER, FLOWSERVE prefiere utilizar pintura roja y blanca en sus actuadores y válvulas. A continuación se muestran imágenes de referencia de los productos de válvulas de FOS.  03. KSB (Alemania)  04.KITZ (Japón) KITZ es uno de los mayores fabricantes de válvulas de Japón. Fundada en 1951, fue la primera empresa japonesa en utilizar una prensa de forja en caliente para latón. El Grupo KITZ se compone de tres segmentos de negocio principales: la fabricación de válvulas, la fabricación de barras de latón y otros negocios. La fabricación de válvulas representa más del 80 % de las ventas totales. Las válvulas KITZ tienen una amplia aplicación en diversas industrias, como la petrolera, la química, la farmacéutica y la energética, entre otras, con un crecimiento constante de las ventas en el mercado nacional. El proceso de producción de válvulas en KITZ incluye… (Texto externo: https://mp.weixin.qq.com/s/K9TIR43NQLD_zLFLVimjxg) 05. VELAN (Canadá)  Velan es un fabricante internacional de válvulas con sede en Canadá, fundado en 1950. Es uno de los principales fabricantes mundiales de válvulas industriales, especializado en válvulas de bola, de compuerta, de globo y de retención forjadas, así como en purgadores de vapor. Las válvulas de Velan operan principalmente en industrias críticas, es decir, bajo condiciones de alta presión, alta temperatura o baja temperatura, y ocupan posiciones destacadas en sectores como el petróleo, el gas natural, la energía nuclear, entre otros.   El acuerdo de adquisición entre Flowserve y Velan ha sido rescindido.  06. Bray (América)  Bray es un fabricante estadounidense de válvulas industriales y sistemas de control, fundado en 1986. Es uno de los líderes mundiales en la fabricación de productos y accesorios para el control de flujo y la automatización. Sus principales productos incluyen actuadores, válvulas de bola, válvulas de mariposa, válvulas de retención, válvulas de guillotina y otros accesorios. La mayoría de sus productos se utilizan en sectores como el de combustibles alternativos, petroquímico, alimentario, industrial, marítimo, minero y metalúrgico, petrolero y gasístico, farmacéutico y biotecnológico, de generación de energía, de celulosa y papel, así como en el tratamiento de aguas y aguas residuales. 07.IMI (Reino Unido) La historia de IMI se remonta a 1862 y es una multinacional fabricante industrial con sede en el Reino Unido. La división de válvulas está gestionada por IMI Critical Engineering, una empresa especializada en la producción de válvulas y actuadores de alta especialización diseñados para temperaturas y presiones extremas, así como para entornos industriales muy abrasivos o corrosivos.  08.AVK (Dinamarca)  AVK se fundó en 1941, centrándose inicialmente en la producción de compresores para equipos de refrigeración y congelación. El Grupo AVK se divide en tres segmentos de negocio principales: AVK Water, AVK Industrial y AVK Advanced Manufacturing. AVK Water presta servicios principalmente a los sectores de suministro de agua, suministro de gas, tratamiento de aguas residuales y extinción de incendios, ofreciendo una amplia gama de válvulas, hidrantes y accesorios. AVK Industrial, con empresas como Orbinox, InterApp y Wouter Witzel, proporciona soluciones integrales de válvulas a clientes de los sectores de tratamiento de aguas, generación de energía, petróleo y gas, marítimo, celulosa y papel, minería y química.   Válvulas de control GEKO Las válvulas GEKO son reconocidas por su precisión, fiabilidad y diseño innovador en sistemas de control de fluidos. Fabricadas con tecnología de vanguardia e ingeniería superior, las válvulas GEKO destacan por proporcionar una regulación precisa y eficiente de diversos fluidos en procesos industriales. Ya sea para optimizar caudales, mantener la presión o garantizar un control preciso de la temperatura, las válvulas de control GEKO sobresalen por su rendimiento excepcional. Con un compromiso con la calidad y un enfoque en satisfacer los requisitos más exigentes de la industria, GEKO sigue siendo una opción de confianza para aplicaciones críticas donde el control preciso de fluidos es fundamental. Mejore sus sistemas de manejo de fluidos con las válvulas de control GEKO y experimente la máxima excelencia en tecnología de válvulas de control.  
    LEER MÁS
  • Aplicación de válvulas de globo guiadas por jaula multietapa de alta presión
    Aplicación de válvulas de globo guiadas por jaula multietapa de alta presión
    Nov 30, -0001
    Introducción: Las aplicaciones de alta presión en diversas industrias requieren válvulas especializadas que puedan soportar condiciones extremas, garantizando al mismo tiempo un control preciso y una alta fiabilidad. Una solución destacable en este sentido es la Válvula de globo guiada por jaula multietapa de alta presión Este artículo explora los factores esenciales a considerar al seleccionar y aplicar estas válvulas en entornos de alta presión.   Clasificaciones de presión y selección de materiales: Los sistemas de alta presión requieren válvulas que puedan soportar las elevadas fuerzas involucradas. Al seleccionar una Válvula de globo guiada por jaula multietapa de alta presión Es fundamental tener en cuenta su presión nominal y asegurar la compatibilidad con los niveles de presión específicos de la aplicación. Además, los materiales deben seleccionarse en función de la naturaleza del fluido y los posibles elementos corrosivos presentes en el sistema. Diseño multietapa para un control preciso: El diseño multietapa de estas válvulas permite un control más preciso del flujo de fluidos, lo que las hace ideales para aplicaciones donde la regulación precisa es fundamental. La configuración por etapas permite una reducción gradual de la presión, minimizando el riesgo de cavitación y garantizando un flujo más suave y controlado. Jaula guiada para mayor estabilidad y fiabilidad: La construcción con jaula de estas válvulas de globo mejora la estabilidad y la fiabilidad en entornos de alta presión. La jaula actúa como mecanismo de guía para el obturador, reduciendo la vibración y garantizando un posicionamiento preciso. Esta característica resulta especialmente ventajosa en aplicaciones donde la estabilidad operativa es fundamental. Medidas anticavitación: Los sistemas de alta presión son susceptibles a la cavitación, lo que puede provocar daños y reducir el rendimiento de las válvulas. Las válvulas de globo multietapa de alta presión con guía de jaula suelen incorporar medidas anticavitación, como diseños o materiales especiales para los internos, para mitigar los efectos de la cavitación y mantener la integridad de la válvula a lo largo del tiempo. Tecnología de sellado: Un sellado adecuado es esencial en aplicaciones de alta presión para evitar fugas y garantizar la integridad del sistema. La tecnología de sellado empleada en estas válvulas, como sistemas de empaquetadura avanzados o sellos de fuelle, debe seleccionarse en función de los requisitos específicos de la aplicación y del tipo de fluido que se procesa. Consideraciones sobre la temperatura: Los sistemas de alta presión suelen operar a temperaturas elevadas. La válvula seleccionada debe ser capaz de soportar estas temperaturas sin que su rendimiento se vea afectado. Se debe tener en cuenta el rango de temperatura de la aplicación y los materiales empleados en la fabricación de la válvula. Costes de mantenimiento y ciclo de vida: Si bien los costos iniciales son un factor a considerar, evaluar los requisitos de mantenimiento y los costos del ciclo de vida es igualmente importante. Las válvulas de alta calidad con diseños robustos pueden tener costos iniciales más elevados, pero ofrecen ahorros a largo plazo gracias a la reducción de las necesidades de mantenimiento y una mayor vida útil. Aspectos destacados de la aplicación: Las válvulas de globo guiadas por jaula multietapa de alta presión se utilizan en una variedad de escenarios de alta presión, incluidos: Generación de vapor y energía: Estas válvulas son muy adecuadas para controlar el vapor a alta presión en las centrales eléctricas, garantizando una regulación precisa y evitando los daños causados ​​por las fluctuaciones de presión. Procesamiento químico: En las plantas de procesamiento químico, donde son comunes los fluidos corrosivos y a alta presión, estas válvulas proporcionan un control y una estabilidad fiables, contribuyendo a la eficiencia y la seguridad de los procesos. Transmisión de petróleo y gas: Los oleoductos y gasoductos de alta presión utilizados en la industria del petróleo y el gas se benefician del control preciso y las características anticavitación de estas válvulas, lo que garantiza la transmisión segura y eficiente de fluidos. Procesos de refinamiento: En las refinerías, las válvulas de globo guiadas por jaula multietapa de alta presión son fundamentales para los procesos que implican condiciones de alta presión, como la destilación y el fraccionamiento. Conclusión: Seleccionar la válvula adecuada para aplicaciones de alta presión es una decisión crucial con implicaciones tanto para el rendimiento como para la seguridad. Las válvulas de globo multietapa de alta presión con guía de jaula, gracias a sus características avanzadas como el diseño multietapa, la guía de jaula, las medidas anticavitación y las robustas tecnologías de sellado, ofrecen una solución fiable para industrias donde la precisión, la estabilidad y la durabilidad son fundamentales. Una cuidadosa consideración de las presiones nominales, los materiales, la resistencia a la temperatura y los requisitos de mantenimiento garantiza la selección y aplicación óptimas de estas válvulas en entornos de alta presión, contribuyendo a la eficiencia y seguridad generales de los procesos industriales. ¡Contáctenos! info@geko-union.com 
    LEER MÁS
1 2 3 4 5 6
Un total de 6páginas

dejar un mensaje

dejar un mensaje
Si está interesado en nuestros productos y desea obtener más información, deje un mensaje aquí y le responderemos lo antes posible.
entregar

Hogar

Productos

contacto